반응형
555 Timer 개요
ㅇ 1971년 Signetics社의 Hans R. Camenzind에 의해 설계되어, 타이머, 발진기로 사용되는 사용 칩
- SE555 또는 NE555 명칭으로 판매되기 시작하여,
- 수많은 제작사에 의해 매년 수백만개 이상이 생산공급됨
ㅇ 특징 - 정확한 시간지연, 발진을 생성하는 매우 안정한 장치

555 IC 형태 (8 Pin Pinout)

555 IC의 두 가지 기능
- Monostable Multivibrator (타이머 모드)
. 트리거 전압이 트리거 핀에 인가될 때, 외부 RC 회로에 의해 셋팅된 시간구간 동안, 출력 핀에서 단발 형태로 Low에서 High 상태로 전압 변함
- Astable Multivibrator (발진기 모드)
. 출력 핀에서의 파형이 구형파로써, 2개 외부 RC 회로에 의해 주기/주파수가 조절됨
- 원하는 시간 만큼 회로를 작동시킨 다음에 완전히 꺼진 채로 있기
– 단안정 모드, Monostable Mode –
단안정 모드는 외부에서 트리거 신호(VL)가 들어오면, +V 전압을 정해진 시간 동안만 출력한 다음에, 원래 0V 상태로 되돌아가는 모드입니다. 현관에 설치하는 등과 같이 일정시간 동안만 켜져 있어야 하는 곳에 사용할 수 있습니다.
- 일정 시간 간격으로 회로를 주기적으로 계속 작동시키기
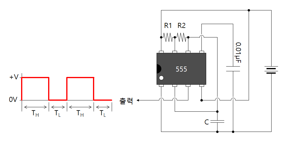
– 비안정 모드 Astable Mode –
비안정 모드는 주기적으로 펄스 신호를 발생시키는 모드입니다. 자동차의 깜박이부터 시작하여 타이밍이 필요한 거의 모든 곳에 사용할 수 있습니다. 예를 들어, 일부 게임 중에는 일정한 빠르기로 마우스 클릭을 해야 하는 경우가 있는데, 555 IC를 마우스에 삽입하여 클릭을 자동화 시키는 회로까지 만들 수 있습니다.
555 비안정 모드
다음과 같이 연결하면 555 IC가 비안정 모드로 동작합니다.
출력 파형은 구형파(Square wave)로서, 계단처럼 완전히 깎아 놓은 파형입니다. 출력 파형에 어중간한 상태는 없습니다.

출력 파형이 유지되는 각각의 시간 TH(초)와 TL(초)은 저항 R1, R2과 커패시터 C를 이용하여 조절할 수 있습니다.
TH(초)=0.693×(R1+R2)×CTL(초)=0.693×(R2)×C
전체 주기 T = TH + TL 이고, 주파수는 주기의 역수이므로, 전체 주기 T와 전체 주파수 f는 다음과 같이 구할 수 있습니다.

반응형
'IT > 하드웨어' 카테고리의 다른 글
| 아날로그 디지털 변환회로, ADC(Analog to Digital Converter)란? (0) | 2020.12.21 |
|---|---|
| What is a Zener diode used for? (제너다이오드란?) (0) | 2020.12.16 |
| 칩 저항 종류 (크기와 정격, 허용 오차) (2) | 2020.10.26 |
| OrCAD 파일확장자 정리 (0) | 2020.10.26 |
| OrCAD BoM PCB FootPrint 엑셀에 추출하는 방법 (0) | 2020.10.26 |
댓글